Features
◇ Compact, light weight and easy to install. It can be directly connected to the suction cup.
◇ Multistage vacuum pump offers large vacuum flow.
◇ It can be used in most harmful gases.
◇ It can be operated with a single pneumatic control valve, and each vacuum circuit can be
controlled by a single ABM/ABX without affecting the operation of other lines.
◇ Vacuum filter ZFL for it is available.
Applications
◇ Suitable for occasions where vacuum is required for each station in fast operation.
◇ Handling of electronic components and small parts.
◇ Various specifications to meet different operation requirements.
| How to order | ||||||||
| ABM 10 - B - F L ① ② ③ ④ ⑤ | ||||||||
| ① Series | ② Specification | ③ Port connection | ④ Sealing | ⑤ Vacuum filter | ||||
| ABM - Universal type(-85kPa) ABX - High vacuum level type (-92kPa) | 05 10 20 30 | A B C NA BA NC NB NBA (Refer to table① ) | Nil - Standard, NBR F - Fluorine rubber E - EPDM | Nil - Standard, without filter L - With ZFL10 vacuum filter | ||||
| Port connection table ① | |||||||
| Port connection | Air supply port | Vacuum port | Exhaust port | ||||
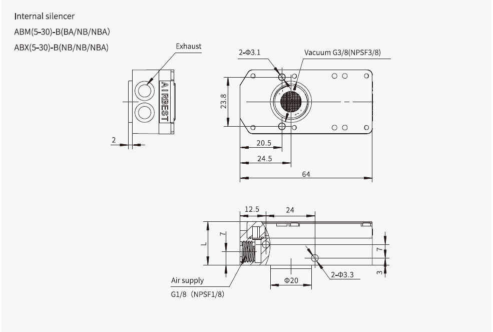
| A | M5-φ6 | G1/8 | Internal silencer | ||||
| NA | M5-φ6 | NPSF1/8 | Internal silencer | ||||
| B | G1/8 | G3/8 | Internal silencer | ||||
| BA | G1/8 | G3/8 | Internal silencer (Connection plate- AL) | ||||
| NB | NPSF1/8 | NPSF3/8 | Internal silencer | ||||
| NBA | NPSF1/8 | NPSF3/8 | Internal silencer (Connection plate- AL) | ||||
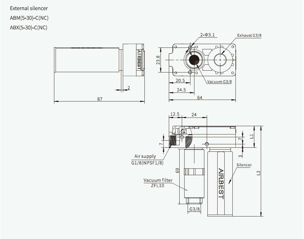
| C | G1/8 | G3/8 | External silencer | ||||
| NC | NPSF1/8 | NPSF3/8 | External silencer | ||||
| Selection | ||||||||
| Model/ Port connection | A | NA | B | BA | NB | NBA | C | NC |
| ABM (X) 5 | ● | ○ | ● | ○ | ○ | ○ | ● | ○ |
| ABM (X) 10 | ● | ○ | ● | ○ | ○ | ○ | ● | ○ |
| ABM (X) 20 | - | - | ● | ○ | ○ | ○ | ● | ○ |
| ABM (X) 30 | - | - | ● | ○ | ○ | ○ | ● | ○ |
◇Note: "●"- standard, in stock. "○"-selective,no stock. "—"-unavailable.
| Technical parameters | ||||||||||||
| Model | Air supply pressure(bar) | Max. vacuum level (-kPa) | Max. Vacuum flow (NL/min) | Air consumption (NL/min) | Noise level dB(A) | Recommended hose dia. (mm) | ||||||
| Air supply (P) | Vacuum (V) | |||||||||||
| ABM5 | 4.5-6.0 | 85 | 35-37 | 12 - 20 | 50 - 65 | 6 | 8 | |||||
| ABM10 | 4.5-6.0 | 85 | 70-75 | 28 - 42 | 55 - 68 | 6 | 10 | |||||
| ABM20 | 4.5-6.0 | 85 | 141-150 | 55 - 85 | 60 - 68 | 8 | 12 | |||||
| ABM30 | 4.5-6.0 | 85 | 175-220 | 87 - 125 | 60 - 68 | 10 | 12 | |||||
| ABX5 | 4.5-6.0 | 92 | 30-32 | 18 - 22 | 50 - 65 | 6 | 8 | |||||
| ABX10 | 4.5-6.0 | 92 | 52-63 | 31 - 40 | 55 - 68 | 6 | 10 | |||||
| ABX20 | 4.5-6.0 | 92 | 100-125 | 79 - 89 | 60 - 69 | 8 | 12 | |||||
| ABX30 | 5.0-6.5 | 92 | 180-185 | 128 - 137 | 60 - 69 | 10 | 12 | |||||
| Vacuum flow (NL/min) at different vacuum levels (-kPa) | ||||||||||||
| Model | Air supply pressure(bar) | Air consumption (NL/min) | 0 | 10 | 20 | 30 | 40 | 50 | 60 | 70 | 80 | Max. vacuum level (-kPa) |
| ABM5 | 4.5 | 12 | 35 | 20.5 | 12.0 | 10.5 | 8.5 | 6.5 | 4.5 | 2.5 | 0.8 | 85 |
| ABM10 | 4.5 | 28 | 70 | 40.5 | 25.0 | 21.0 | 18.0 | 14.0 | 9.5 | 5.0 | 1.3 | 85 |
| ABM20 | 4.5 | 55 | 141 | 77.0 | 45.0 | 39.5 | 29.5 | 25.0 | 17.5 | 12.0 | 3.0 | 85 |
| ABM30 | 5.0 | 87 | 175 | 105.0 | 70.0 | 63.0 | 53.0 | 40.0 | 26.0 | 14.0 | 6.5 | 85 |
| ABM5 | 6.0 | 20 | 37 | 25.0 | 15.5 | 12.0 | 8.0 | 6.0 | 4.0 | 2.7 | 0.6 | 85 |
| ABM10 | 6.0 | 42 | 75 | 55.0 | 27.0 | 20.0 | 18.0 | 12.0 | 9.0 | 5.0 | 2.0 | 85 |
| ABM20 | 6.0 | 85 | 150 | 100.0 | 55.0 | 38.0 | 30.0 | 24.0 | 16.0 | 11.0 | 3.2 | 85 |
| ABM30 | 6.0 | 125 | 220 | 150.0 | 81.0 | 65.0 | 50.0 | 38.0 | 27.0 | 18.0 | 5.0 | 85 |

| Evacuation time (s/L) to reach different vacuum levels (-kPa) | ||||||||||||
| Model | Air supply pressure(bar) | Air consumption (NL/min) | 10 | 20 | 30 | 40 | 50 | 60 | 70 | 80 | Max. vacuum level (-kPa) | |
| ABM5 | 4.5 | 12 | 0.11 | 0.42 | 0.95 | 1.66 | 2.5 | 3.65 | 5.25 | 7.89 | 85 | |
| ABM10 | 4.5 | 28 | 0.08 | 0.2 | 0.44 | 0.8 | 1.24 | 1.8 | 2.55 | 3.8 | 85 | |
| ABM20 | 4.5 | 55 | 0.04 | 0.12 | 0.23 | 0.41 | 0.65 | 0.93 | 1.33 | 2.03 | 85 | |
| ABM30 | 4.5 | 87 | 0.03 | 0.09 | 0.16 | 0.27 | 0.43 | 0.66 | 0.95 | 1.43 | 85 | |
| ABM5 | 6.0 | 20 | 0.13 | 0.51 | 1.15 | 1.93 | 2.87 | 4.09 | 5.84 | 10.46 | 85 | |
| ABM10 | 6.0 | 42 | 0.03 | 0.23 | 0.53 | 0.92 | 1.37 | 1.95 | 2.77 | 4.62 | 85 | |
| ABM20 | 6.0 | 85 | 0.02 | 0.15 | 0.28 | 0.46 | 0.71 | 1.02 | 1.48 | 2.55 | 85 | |
| ABM30 | 6.0 | 125 | 0.02 | 0.08 | 0.14 | 0.31 | 0.49 | 0.69 | 1.02 | 1.75 | 85 | |








